Pojistka KNTP8812.02, pevně nastavená teplota vypnutí na +92°C -6°C

Pojistka KNTP8812.02, pevně nastavená teplota vypnutí na +92°C -6°C,
manuální znovuzapnutí-reset, po vybavení, tlačítkem v dolní části

Jiné nastavené teploty v rozsahu +35..+99°C na poptávku.

Parametry výrobku:

Regulační rozsah +92 °C
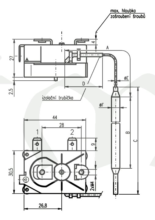
Délka kapiláry [cm], nebo provedení 93
Odkazy Příslušenství - ochranné jímky
Ke stažení: teplomery_termostaty_au.pdf
Cena: 277 Kč (bez DPH)
Cena: 336 Kč včetně DPH 21 %
Do košíku

Volitelné příslušenství

Id: 9134,   ID_Pohoda : E0541,