Bočníky

Ostatní proudové rozsahy a převody zde neuvedené jsou na poptávku.
Vyšší třídy přesnosti než 0.5% jsou na poptávku.  (0.25; 0.2; 0.1%; 0.05%)

Bočníky se používají k měření stejnosměrných proudů, zejména vyšších hodnot.
Na bočníku vzniká, úměrně protékajícímu proudu, úbytek napětí, který může být přiveden na magnetoelektrický přístroj nebo měřicí převodník.
Bočníky jsou vyráběny ve třídě 0,5 (podle DIN43703, EN60051) pro jmenovité proudy od 1A do 25kA, s úbytky napětí 60, 150 nebo 300mV; na přání je možno poptat jiný jmenovitý proud nebo jiný úbytek napětí.
Podle velikostí jmenovitých proudů nabízíme bočníky čtyř konstrukčních provedení (A, B, C, D).
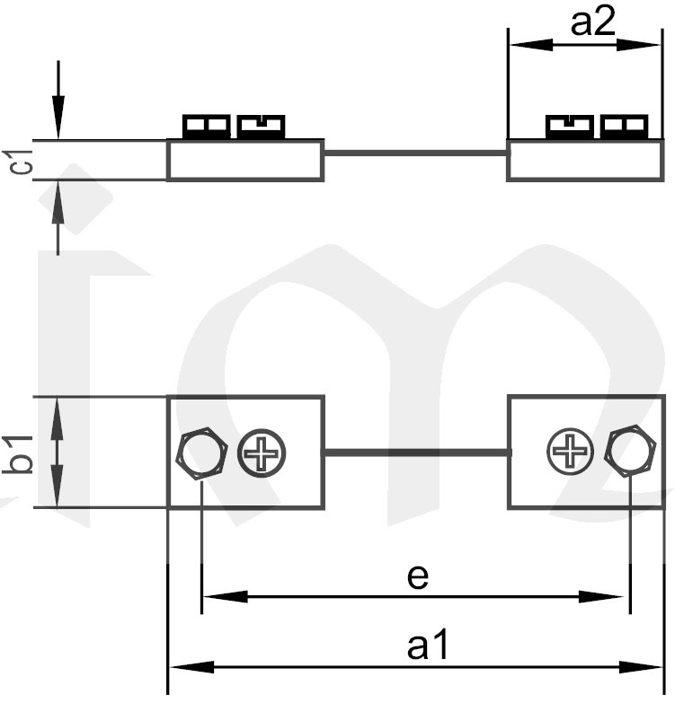
Bočníky konstrukčního provedení A jsou dodávány na izolačním soklu s upevňovací západkou. Toto konstrukční řešení umožňuje, kromě běžného upevnění pomocí šroubů, také uchycení na normalizovanou 35mm lištu, což podstatně zrychluje montáž.
Bočníky konstrukčního provedení B (L-profil) ; C (T- profil) a D (I- profil) jsou bez izolačního soklu, a k jejich montáži je možné použít např. podpěrné izolátory.

Nalezeno 411 záznamů.