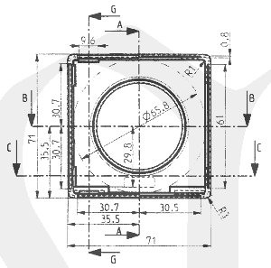
ASR 42.45, 300/1A; 7,5VA; 1%

Parametry výrobku:

Typ proudového transformátoru ASR 42.45
Primární proud trafa 300 A
Sekundární proud 1 A
Způsob přípoje, průměr nebo pás 42 mm
Třída přesnosti trafa 1 %
Výkon 7,5 VA
Nadproudové číslo 5
Kód výrobce 26644
Hmotnost trafa 0,3 kg
Odkazy Popis parametrů měřících transformátorů proudu
Nadproudové křivky chyb nízkonapěťových měřících transformátorů proudu a schéma zapojení
Ke stažení: Trafa_EXIMUS_MBS.pdf
Spotreba_vedeni_k_trafu.pdf
Cena: 832 Kč (bez DPH)
Cena: 1007 Kč včetně DPH 21 %
Do košíku

Id: 2021,