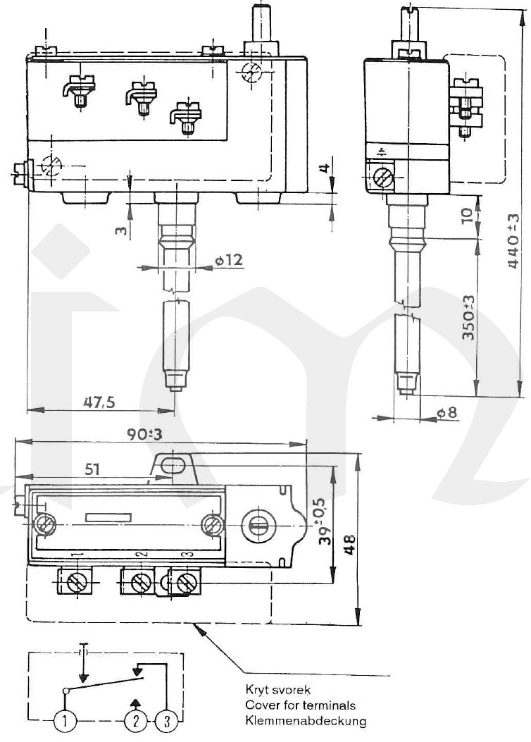
Termostat TH 175

Termostaty řady TH-160 jsou tepelně závislé jednopólové spínače, založené na principu nestejné teplotní dila­tace dvou různých kovů. Jsou určeny pro spínání elektrických obvodů, ale nikoliv jako hlavní spínače. Základem termostatů je spolehlivý mechanický systém, který nemá žádnou vlastní spotřebu energie. Termostaty se vyzna­čují vysokou odolností proti mechanickému poškození a nízkými náklady na provoz a údržbu.

Popis
Termostaty se skládají ze dvou hlavních částí: teplot­ního čidla a spínací hlavice. Dilatační změny čidla se přenášejí prostřednictvím páky na spínač. Termostaty se vyrábí v provedení rozpínacím (2 svorky) nebo přepínacím (3 svorky). Svorky jsou šroubové s mož­ností připojení vodičů s max. průřezem 4 mm. K ochranné svorce musí být připojen ochranný vodič. Standardní provedení je opatřeno krytem svorek pro zabránění náhodného dotyku. Požadavek na provedení bez krytu svorek musí být uveden v objednáv­ce.
Při montáži je nutno chránit stonek i hlavici před nárazy a dále je třeba zabránit deformacím stonku. Na přání se k termostatům dodávají ochranné jímky.

Nastavení teploty
Regulačním knoflíkem u termoslatů TH160, TH160.1, TH160.2, TH163, TH164, TH166, TH167 a TH169. Teplotu lze u uživatele přestavit v rámci jmeno­vitého rozsahu.
Ve výrobním závodě na základě specifikace v objednávce. Pevně nastavenou teplotu nelze u uživatele dodatečně měnit (TH162 a TH165).

Technické údaje
Přesnost nastavení ±10 % z nejvyšší hodnoty jmenovité vypínací teploty nastavené na termostatu
Průměr stonku 8 mm
Max. teplota spínací hlavice +120 °C
Hmotnost cca 0,25 až 0,35 kg
Krytí IP 00
Životnost cca 10 000 cyklů

Přesnost nastavení ±10 % z nejvyšší hodnoty jmenovité vypínací teploty nastavené na termostatu
Průměr stonku 8 mm
Max. teplota spínací hlavice 120 °C
Hmotnost cca 0,25 až 0,35 kg
Krytí IP 00
Životnost 10 000 cyklů

Typ
Regulační rozsah [°C]
Diference spín. teploty [K]
Délka stonku
L1 ±3 [mm]
Délka termostatu
L ±3 [mm]
Jmenovité napětí, proud
Počet svorek
TH 160
20-80
2÷8
315
388
250 V, 15 A st
2
TH 160.1
20-75
2÷8
315
388
250 V, 15 A st
2
TH 160.2
20-80
2÷8
315
388
250 V, 15 A st
3
TH 162
20-160
1÷16
100
164
250 V, 15 A st
3
TH 163
50-90
6÷16
100
173
250 V, 15 A st
3
TH 164
30-160
2÷10
160
233
250 V, 15 A st
3
TH 165
20-200
1÷10
160
224
250 V, 15 A st
3
TH 166
100-200
1÷10
200
273
250 V, 15 A st
3
TH 167
20-100
1÷10
250
323
250 V, 15 A st
3
TH 167.1
-10-50
1÷10
250
323
250 V, 15 A st
3
TH 169
60-120
2÷8
315
388
250 V, 15 A st
2
TH 175
60-200
3
350
440
250 V, 15 A st
3


Parametry výrobku:

Regulační rozsah +60..+200 °C
Délka stonku 350 mm
Ke stažení: TH166_TH167_TH174_TH175_nacrt.pdf
Termostaty_TH160_Eximus.pdf
Navod_TH160.pdf
Cena: Na dotaz!
Do košíku

Volitelné příslušenství

Id: 1519,   ID_Pohoda : E1350,